Toggle navigation
首页
协会概况
协会简介
协会章程
主管部门动态
区局动态
国家局动态
协会动态
通知公告
新闻列表
会员服务
权利与义务
服务范围
入会申请
团体标准
标准征求意见
标准发布公告
标准科普
标准文本
政策法规
加入收藏
联系我们
首页
协会动态
通知公告
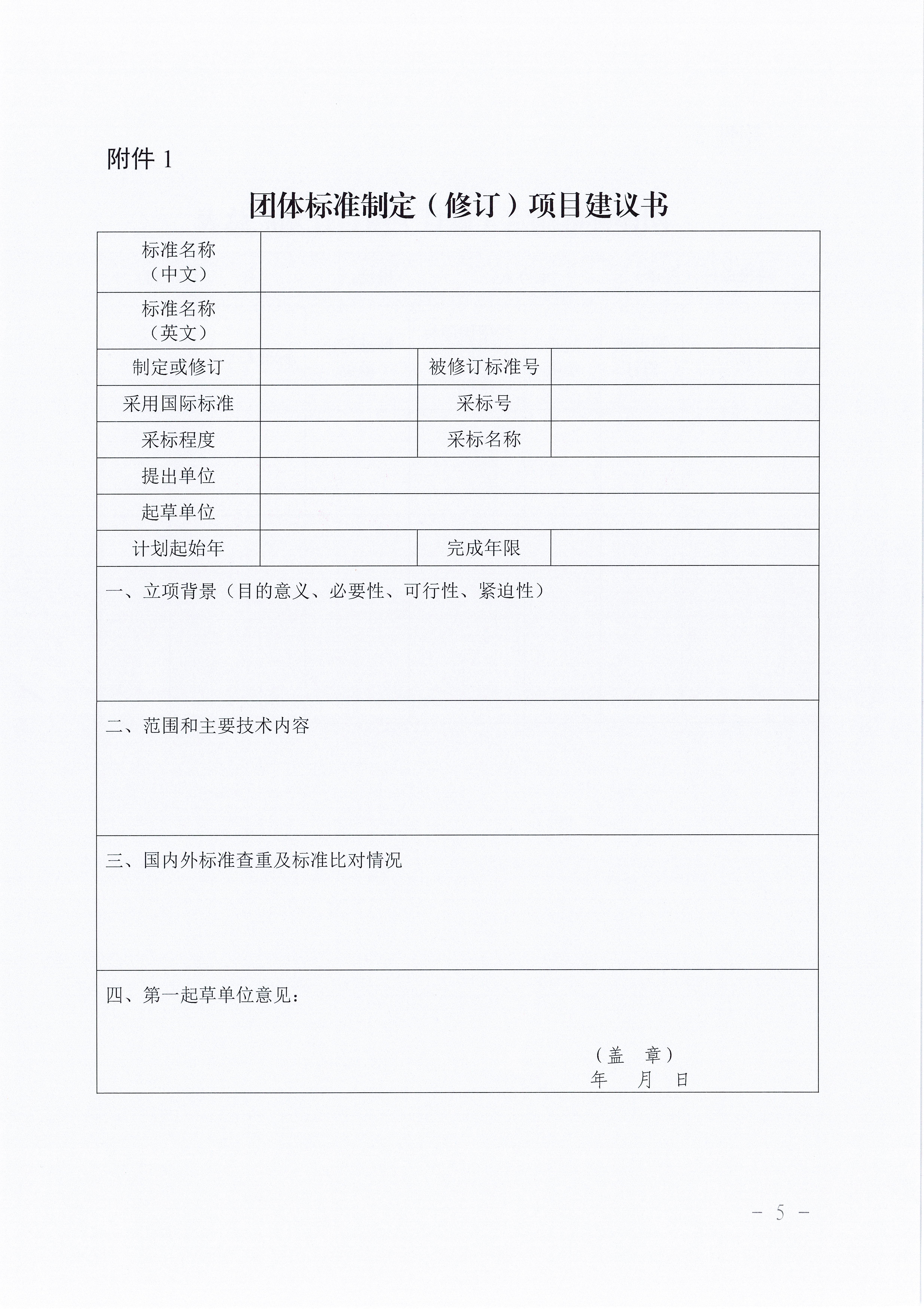
关于印发《2023年度广西硅酸盐行业团体标准制修订立项指南》的通知
广西标准化协会
1458 阅读
0 点赞
关于印发《2023年度广西硅酸盐行业团体标准制修订立项指南》的通知
点赞(
0
)
本文分类:
通知公告
本文标签:
浏览次数:
1458
次浏览
发布日期:2023-03-27 11:13:04
本文链接:
https://www.guangxibiaoxie.com/a/1557.html
上一篇 >
关于印发《2023年度广西电力行业团体标准制修订立项指南》的通知
下一篇 >
关于印发2023年度广西县域电商行业团体标准制修订立项指南
收藏
分享